产品中心

产品中心

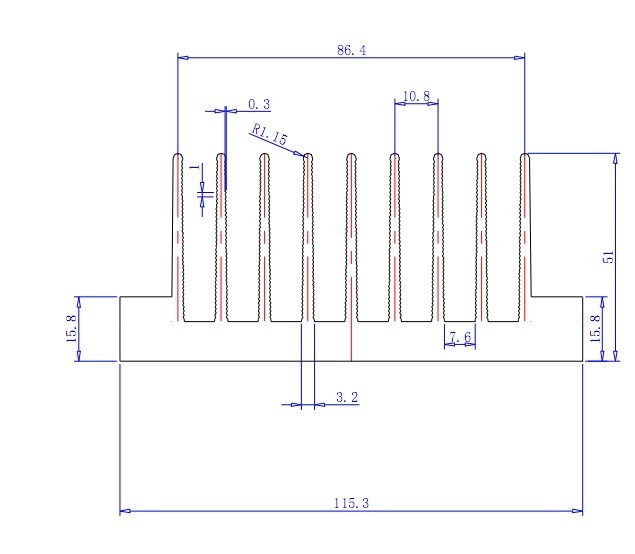
LC-115X52

LC-115X52

系列号:LC-115X52
适配功率:0.75-2.2KW(三菱模块)
宽度:115mm
高度:115mm
联系我们
  • 产品详情
  • 标准配件
  • 相关资料
  • 返回
产品材料和颜色可按要求定制(批量)
产品改动需根据情况收取改模费用
网站图纸仅供参考(以实样为准)
欢迎合作开模,仅收50%模具费
备注:1、用于G系列塑料底座和I系
           列塑料底座。
            2、适用于三菱模块安装高度
序号配件编号配件名称(图片)数量材料嵌件名细备注

点击
隐藏

电话
咨询

0573-84870987
客服热线